
PATFIO Offers a series of specialised and Dynamic Simulation & Optimization of Mineral Processes in CADSIM Plus Training Courses;



1. Dynamic Modeling & Optimization Of Mineral Processes Using Cadsim Plus Intergrated Course Level 1 (Basics)
2. Dynamic Modeling & Optimization Of Mineral Processes Using Cadsim Plus Intergrated Course Level 2 (Advanced Process Control)
3. Dynamic Modeling & Optimization Of Mineral Processes Using Cadsim Plus Intergrated Course Level 3 (Projects Level)
4. Hydrometallurgical Process Simulation For Battery Metals Using Cadsim Plus - (Foundations Level 1– Unit Operations Modeling & Mass Balance)
5. Hydrometallurgical Process Simulation For Battery Metals Using Cadsim Plus - (Advanced Level 2 -Process Control & Optimization)
6. Pyrometallurgical Process Modeling, Optimization & Energy Efficiency Using CADSIM Plus
7. Metallurgical Process Systems Optimization & Digital Twin Mastery Fellowship - An Advanced 6-Month Applied Program Using CADSIM Plus
1. Dynamic Modeling & Optimization Of Mineral Processes Using Cadsim Plus Intergrated Course Level 1 (Basics)
Course Description
The PATFIO CADSIM Plus Dynamic Process Simulation Training Course is an intensive, hands-on program designed to equip mineral processing professionals with world-class skills in flowsheet modeling, dynamic simulation, digital process control, and virtual commissioning. This course focuses on applying CADSIM Plus, one of the industry’s leading dynamic simulation platforms, to real-world mineral processing applications—enabling participants to design, troubleshoot, optimize, and digitally validate plant performance.
Through expert-led demonstrations and guided exercises, trainees move from foundational interface navigation to full digital twin development. The course integrates process engineering, instrumentation, advanced control, and digital transformation techniques to help participants bridge the gap between plant design, commissioning, and operations.
AGENDA:
Navigation of CADSIM Plus User Interface - Mineral Processing library
Model set-up process - CIP/CIL example in CADSIM Plus
Parts creation & changing part types
Animations
Tuning PID controllers
P&iDs & Process control in CADSIM Plus
Charting
COM & DDE
Component modeling & Chemical reactions
Dynamic simulation
Smart connections - 3 Stage Crushing circuit
P&ID validation
Advanced DDE-COM
Building Digital Manuals - CBMs (Html set-up)
Converting ordinary P&iDs into a live simulation
Process Control logic
Pump Sizing
DCS Process Control
DCS Checkout & Operator training
Design & verify control logic
Advanced Computer-Based Manuals (CBMs)
Digital Twin

LEARNING OUTCOMES:
Confidently navigate the CADSIM Plus UI and work with the Mineral Processing library.
Build complete plant models—including comminution & hydroMet & pyroMet circuits—from scratch.
Create, edit, and convert parts while integrating animations for visual diagnostics.
Tune PID controllers, design control logic, and implement DCS-style process control.
Develop and validate P&IDs and convert ordinary diagrams into fully functional dynamic simulations.
Apply component modeling, chemical reactions, and multi-component mass balance concepts.
Use COM & DDE interfaces for real-time data exchange and advanced integration.
Build Computer-Based Manuals (CBMs) and HTML-based interactive documentation.
Perform virtual commissioning, operator training, and DCS checkout.
Construct high-fidelity digital twins for optimization and predictive analysis
WHO SHOULD ATTEND:
Process & Plant Metallurgists
Plant Operators & Supervisors
Process Designers / EPCM Engineers
Process Control & Instrumentation Engineers
DCS/PLC Engineers
Simulation Specialists
Graduate engineers entering plant design or optimization


ABOUT CADSIM Plus
CADSIM Plus is chemical process simulation software which allows you to draw a process flowsheet while creating a process simulation model. It is an engineering tool that can balance flowsheets and simulate dynamic conditions. CADSIM Plus combines a comprehensive computer assisted drawing (CAD) front end with a first-principles dynamic chemical process simulator.
PATFIO IS AN ACCREDITED CPD PROVIDER
PATFIO Consulting is recognized as an official Accredited CPD Provider by the CPD Standards Board. This accreditation demonstrates our dedication to providing high-quality, industry-relevant technical training that fosters the professional growth of engineers, metallurgists, and plant operations teams throughout Africa and beyond.


HYDROMETALLURGY PROCESSES
Au CIL/CIL
Crushing & Grinding
SX
Cu Smelting
Flotation
Thickening

Three-Level Programme Structure
The PATFIO CADSIM Plus training programme is organised into three ascending levels. Each level builds on the previous, enabling participants to grow from basic understanding to advanced expertise and finally to mentorship/consulting capability. This ensures a structured, cumulative learning path — suitable for engineers, metallurgists, process-control specialists, and design staff working in mineral processing.

LEVEL 1: Basics Level: Foundations of Dynamic Process Simulation
Learn the basics: interface, simple models, dynamic simulation fundamentals.

LEVEL 2: Advanced Level
Build realistic mineral-processing plant models with full control logic, dynamic behaviour, and engineering calculations.

LEVEL 3: Expert / Mentorship Level
Become an expert: create digital twins, run virtual commissioning/operator training, and mentor others.
Level 1: Basic — “Foundations of Dynamic Process Simulation”
Objective: Introduce participants to process-simulation fundamentals, CADSIM Plus interface, and the basics of building and running simple dynamic models.
Core Contents & Skills:
Navigating the CADSIM Plus user interface and understanding its main features.
Understanding dynamic simulation vs. steady-state modelling; basic mass and energy balance concepts.
Setting up simple process models: drawing flow diagrams, defining streams and equipment, building a basic unit or circuit (e.g. a tank, sump, cyclone or simple flow path).
Running simulations: switching from drawing mode to simulation mode;
monitoring process variables;
understanding stream and equipment data.
Introduction to control elements: configuring simple controllers (e.g. PID-level controller), manipulating setpoints, and observing dynamic response.
Basic charting and data visualization (e.g. strip-charts) to monitor simulation outputs over time.
Process logic
Target Audience:
People new to process simulation — junior engineers, recent graduates, or professionals transitioning into mineral-processing modelling.
Outcome:
After Level 1, participants will be able to build and run simple dynamic process models, understand key simulation concepts, and perform basic process control and data visualization in CADSIM Plus.
Level 2: Advanced — “Integrated Mineral-Process Simulation & Control”
Objective: Expand participants’ capability to model realistic mineral-processing flowsheets, integrate control logic, complex processes, and embrace advanced simulation features.
Core Contents & Skills:
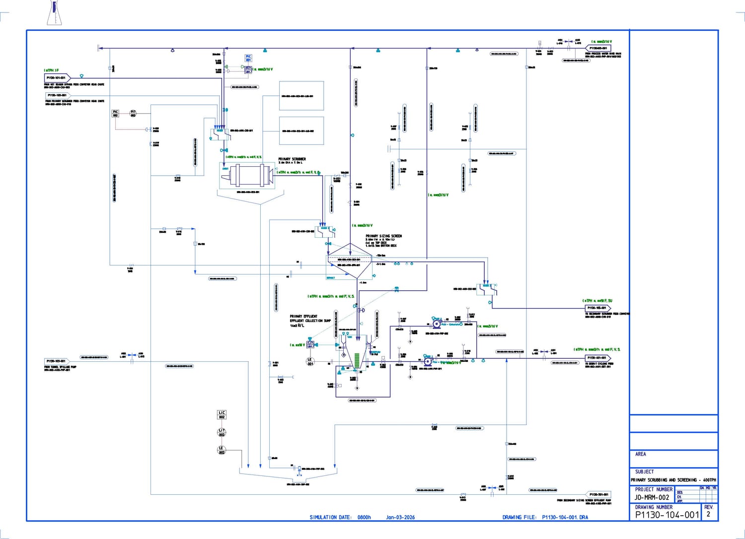
Building full mineral-processing circuits: comminution, beneficiation, handling of multiple unit operations and streams. (Reflects your comminution example module.)
Parts creation, editing part types, adding unit operations, streams, smart connections and comprehensive flowsheet setup.
Use of animations and visual tools for better representation and diagnostics of process flows.
Advanced control logic: tuning PID controllers, designing control loops (level, flow, pressure, etc.), specifying process control via P&IDs, developing dynamic control strategies.
Process control and instrumentation simulation: dynamic response to transients, control interlocks, start-up / shut-down scenarios.
Data handling and integration: charting, monitoring variables over time, data extraction, and use of simulation data for analysis.
Component & chemical-reaction modelling, where applicable — enabling simulation of processes involving chemical transformations, multiple phases, and complex mass/energy balances (as permitted by CADSIM Plus modules).
Model validation and P&ID-to-simulation conversion: taking existing process & instrumentation diagrams (P&IDs) and turning them into live, working simulations with control logic.
Dynamic simulation of time-varying processes, equipment sizing, and engineering calculations (e.g. pump sizing) integrated into the simulation context.
Target Audience:
People new to process simulation — Engineers, process designers, metallurgists, and control specialists who already have basic simulation exposure and want to model full mineral-processing plants or circuits.
Outcome:
On completion of Level 2, participants will be capable of building detailed, realistic mineral-processing plant simulations, integrating process control logic, analysing dynamic behaviour, and validating simulation models from P&IDs or engineering design documents. They will also be ready to tackle complex scenarios — e.g., transient events, equipment sizing calculations, and dynamic mass/energy balances with chemical or multiphase processes.
Level 3: Expert / Mentorship Level — “Digital Twin & Virtual Commissioning / Coaching”
Objective: Elevate participants to expert-level competence — enabling them to develop high-fidelity digital twins of plants, perform virtual commissioning or operator-training simulations, and offer mentorship/coaching or consulting services.
Core Contents & Skills:
Constructing full-scale plant simulations (digital twin) that mirror real-world mineral-processing plants: combining flowsheet modelling, chemical reaction modules (if needed), dynamic control logic, interlocks, start-up/shutdown sequences, transients, etc.
Designing, verifying, and optimizing detailed control logic — as used in real DCS (Distributed Control System) environments: building logic for process control, interlocks, safety, operator interactions, fail-safe behavior, and realistic operator-training scenarios.
Virtual commissioning: simulating plant commissioning, start-up, shut-down, upset/recovery scenarios — enabling testing of control logic, operator procedures, and process behavior in a risk-free environment.
Building interactive digital documentation/manuals: Computer-Based Manuals (CBMs), HTML-based documentation, interactive process manuals linked to the simulation — supporting standard operating procedures (SOPs), training manuals, and operator guidance. (Reflects “Building Digital Manuals – CBMs (Html set-up)” from your agenda.)
Advanced DDE/COM data integration and external interfacing: linking the simulation with external systems, data exchange in real time, enabling integration with plant data historians, DCS/SCADA frameworks or other external data sources.
Coaching / mentoring others: using the simulation as a teaching/training tool to onboard new engineers or operators; leading simulation-based training; providing consultancy and support for simulation adoption in projects.
Performing model validation, benchmarking, sensitivity analyses, optimisation studies, “what-if” analyses, and project-level simulation consulting — turning the simulation into a strategic engineering and decision-making tool for plant design, upgrades, trouble-shooting or performance optimization.
Advanced scenario planning: process improvements, debottlenecking, start-up/shutdown, emergency scenarios, process control upgrades — all within a simulated environment before committing changes on real plant.
Target Audience: Senior engineers, process simulation specialists, consultants, control-systems engineers, engineering managers — anyone who needs mastery of process simulation and wants to leverage CADSIM Plus for digital-twin development, virtual commissioning, operator training, or consulting services.
Outcome: On completing Level 3, participants will be fully capable of creating and managing high-fidelity digital twins of mineral-processing plants, performing virtual commissioning, training operators, validating control logic, and delivering simulation-based consulting services. They will be qualified to mentor others and lead simulation-based projects, bridging plant design, control logic validation, and operations.


INTERGRATED DYNAMIC SIMULATION COURSES
DYNAMIC SIMULATION & OPTIMIZATION OF MINERAL PROCESSES (3 tier HydroMet + PyroMet)
2026 Discounted Early Bird Discount


BASIC
BASIC CADSIMPLUS TRAINING COURSE
$USD
550
Navigation of CADSIM Plus User Interface - Mineral Processing library
Model set-up process - Comminution example in Cp
Parts creation & changing part types
Animations
Tuning PID controllers
P&iDs & Process control in Cp
Charting
COM & DDE
Component modeling & Reactions
Dynamic simulation
Capstone Project


CADSIMplus Premium Coaching Program (CPCP)
6 Month Coaching Program with Real industrial case studies. Model complete steady state and dynamic systems.
$USD
3,800
DCS Process Control
DCS Checkout & Operator training
Design & verify control logic
Virtual commissioning
P&ID validation
Advanced CBMs
Digital Twin


ADVANCED
ADVANCED TRAINING IN MINERAL PROCESS MODELING & SIMULATION IN CADSIMplus
$USD
750
Full circuit design
Smart connections
P&ID validation
Advanced DDE-COM
Building Digital Manuals - CBMs (Html set-up)
Converting ordinary P&iDs into a live simulation
Process Control logic
Pump Sizing
Capstone design Project
SPECIALISED TRAINING COURSES:
HYDROMETALLURGICAL PROCESS SIMULATION FOR BATTERY METALS USING CADSIM PLUS TRAINING COURSE (3-tier)
2026 Discounted Early Bird Discount
1. Level 1: Hydrometallurgical Process Simulation for Battery Metals in CADSIM Plus Basic Course
2. Level 2: Hydrometallurgical Process Simulation for Battery Metals in CADSIM Plus Advanced Course - Process Control & Optimization
3. Level 3: Hydrometallurgical Process Simulation for Battery Metals in CADSIM Plus- (6 Month Projects-Based Coaching Program)


LEVEL 1: BASIC
BASIC TRAINING COURSE
$USD
750
Water leaching - leaching of acid digested spodumene concentrate with an exercise based on Ni/Co leaching.
Neutralization (impurity removal) - purification of the leach slurry from (1) with precipitation of Fe and Al. Then an exercise on the purification of leach slurry from Ni/Co leaching.
Solids-Liquid separation - thickening/CCD washing of the neutralized slurry followed by filtration of the overflow. Have an exercise focusing of Ni/Co mixed sulphide slurry thickening and filtration as well.
Concentration/Evaporation - setup a model for the concentration of Li2SO4 to 220g/L followed by two exercises on CoSO4 and NiSO4 concentration.
Crystallization - final module on the crystallization of CoSO4 then an exercise on NiSO4 crystallization.


LEVEL 3: PROJECTS-BASED COACHING PROGRAM (PBCP)
6 Month Coaching Program with Real industrial case studies. Model complete steady state and dynamic systems.
$USD
4,000.00
DCS Process Control
DCS Checkout & Operator training
Design & verify control logic
Virtual commissioning
P&ID validation
Advanced CBMs
Digital Twin


LEVEL 2: ADVANCED
PROCESS CONTROL & OPTIMIZATION OF HYDROMETALLURGICAL PROCESSES
$USD
1,000
Lithium Processing Plant
Gold Processing Plant
MnSO4 Processing Plant
Advanced DDE-COM
Building Digital Manuals - CBMs (Html set-up)
Converting ordinary P&iDs into a live simulation
Process Control logic
Pump Sizing
Sensitivity analysis
Capstone design Project
PYROMETALLURGICAL PROCESS SIMULATION USING CADSIM PLUS TRAINING PROGRAM (2-tier)

Advanced Industry Training for Process Engineers
By the end of this course, participants will be able to:
Build complete pyrometallurgical flowsheets in CADSIM Plus
Perform mass and energy balances for furnaces
Model roasting, smelting, and converting reactions
Optimise slag chemistry and metal recovery
Analyse furnace efficiency and energy consumption
Simulate full smelter operations from feed to final product
This advanced training program equips process engineers with the ability to simulate, analyse, and optimise high-temperature pyrometallurgical operations using industry-standard simulation tools.
Participants will work with real plant data to develop full smelter flowsheets, perform mass and energy balances, and solve real operational challenges.
1. Level 1: Pyrometallurgical Process Simulation in CADSIM Plus - Process Control & Optimization
2. Level 2: Pyrometallurgical Process Simulation in CADSIM Plus- (6 Month Projects-Based Coaching Program)


LEVEL 1: Pyrometallurgical Process Simulation in CADSIM Plus - Process Control & Optimization
BASIC TRAINING COURSE
$USD
1,200.00
Full roasting + smelting modelling
Furnace simulation (your strongest asset 🔥)
Slag–metal–matte relationships
Flux optimization
Energy balance
Off-gas modelling
Copper smelting
Nickel or ferroalloy
Ferro Manganese


LEVEL 2: PROJECTS-BASED COACHING PROGRAM (PBCP)
6 Month Coaching Program with Real industrial case studies. Model complete steady state and dynamic systems.
$USD
6,500.00
Dynamic simulation of Copper Smelter
Plant case studies
Troubleshooting:
High slag losses
Poor matte grade
High energy consumption
CONTACT US
We HATE spam. Your email address is 100% secure